产品型号:YHT-BF0.50
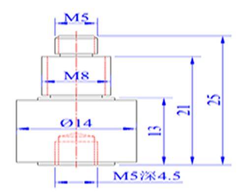
产品尺寸:Φ14×25 mm
测量范围:压500N
过载能力:120%
产品描述:利用压电材料的压电效应将被测力信号转换为电信号输出,外置在线式阻抗变换器,配接普通同轴电缆和恒流源适调器

外形尺寸
线性特性
| 灵敏度(±10%) | 10 mV/N | 测量范围 | 压500N | 过载能力 | 120% |
| 共振频率 | ~40kHz | 幅值线性度 | <±1% | 工作温度范围 | -40 - +121°C |
| 激励电压 | +18 - +28 VDC | 激励电流 | 2 - 10 mA | 输出偏置电压 | (11 ±1.5) VDC |
| 输出极性 | 正 | 敏感件 | 石英 | 尺寸(直径x高) | Φ14×25 mm |
| 安装扭矩 | 3 N.m | 输出方式 | M5 | 外壳材料 | 不锈钢,激光焊密封 |
| 分辨率 | 0.02N | 安装平面度 | <3μm | 输出阻抗 | < 100 Ω |